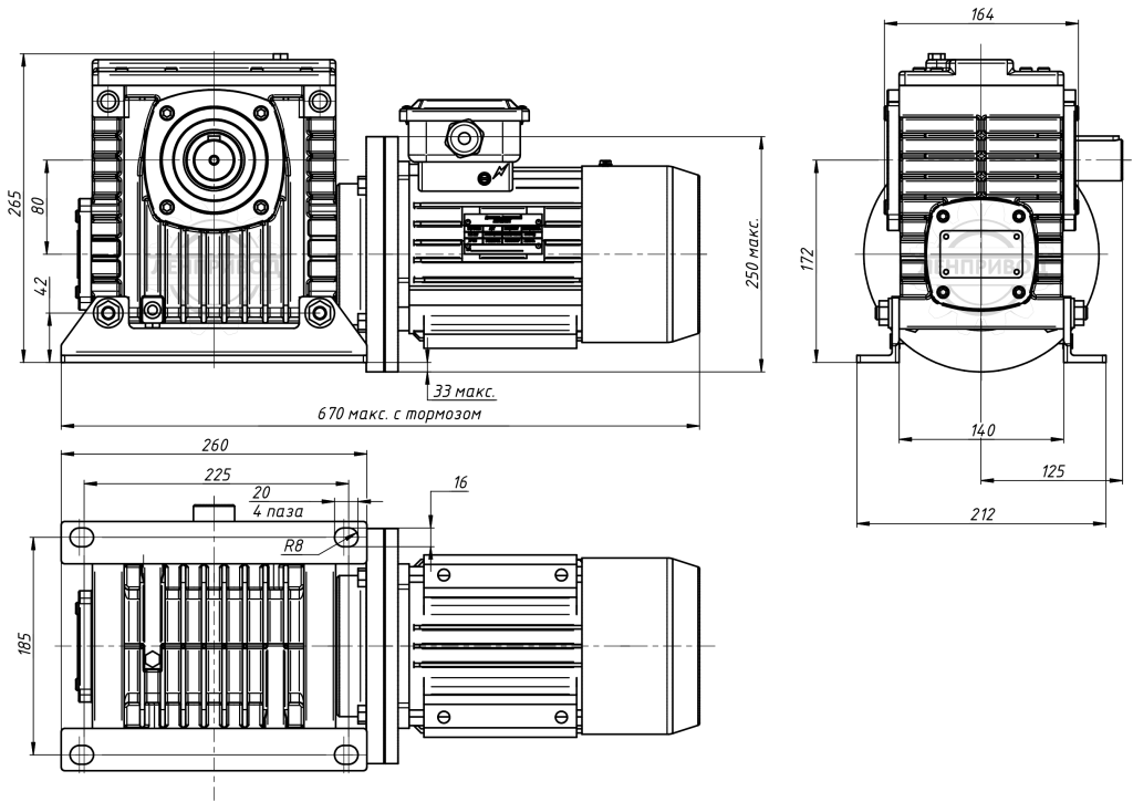
Мотор-редуктор червячный одноступенчатый МРЧ-80М1
Данный тип червячных мотор-редукторов применяется во множестве видов оборудования: конвейеры, мешалки, домкраты, задвижки, клапана и др. Компактная конструкция и достаточно мощный крутящий момент позволяют использовать этот привод в качестве замены других видов мотор-редукторов, например, цилиндрических или планетарных. МРЧ-80М1 заправлен смазкой на весь срок службы и укомплектован армированными манжетами, для защиты от подтекания. В случае износа манжет, ремонтопригодная конструкция позволяет произвести восстановительные работы в короткие сроки. Мотор-редуктор червячный МРЧ-80М1 изготавливается в разных исполнениях:
- на лапах
- без лап
- с фланцем



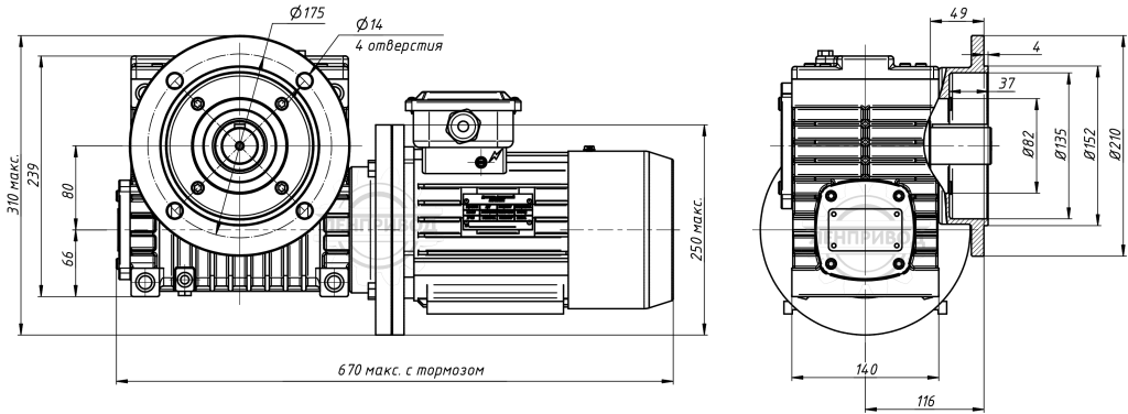
Также МРЧ-80М1 изготавливается с различными формами выходного вала:
- с цилиндрическим концом
- с коническим концом
- с полым валом со шлицами
- с полым валом со шпоночным пазом
- со специальным валом по требованию заказчика
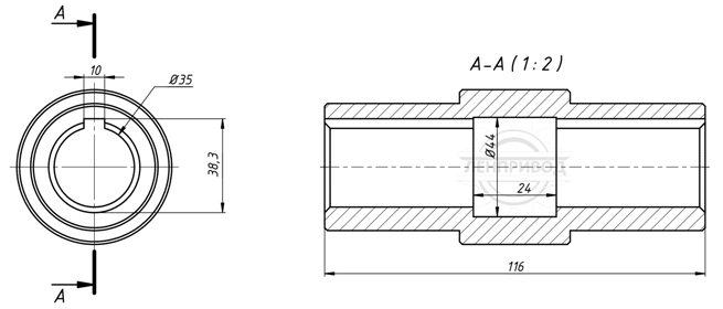
Размеры валов




Технические характеристики мотор-редуктора МРЧ-80М1
| Номинальная частота вращения выходного вала, об/мин | 176 | 141 | 112 | 88 | 71 | 56 | 45 | 33 | 27 | 22 | 18 | 14 | 11 | 9 |
| Диапазон частот вращения регулируемого исполнения, об/мин | 70-211 | 57-169 | 45-134 | 35-105 | 28-85 | 22-67 | 18-54 | 13-39 | 11-33 | 8-26 | 7-21 | 5-17 | 4-14 | 3-11 |
| Номинальное передаточное число | 8 | 10 | 12,5 | 16 | 20 | 25 | 31,5 | 40 | 50 | 31,5 | 40 | 50 | 63 | 80 |
| Допустимый крутящий момент, Н·м | 78 | 97 | 120 | 144 | 183 | 210 | 260 | 220 | 200 | 280 | 218 | 270 | 225 | 170 |
| Мощность двигателя, кВт | 2,2 | 2,2 | 2,2 | 2,2 | 2,2 | 2,2 | 2,2 | 1,5 | 1,1 | 1,1 | 0,75 | 0,75 | 0,55 | 0,55 |
| Частота вращения двигателя, об/мин | 1500 | 1500 | 1500 | 1500 | 1500 | 1500 | 1500 | 1500 | 1500 | 750 | 750 | 750 | 750 | 750 |
| Масса с электродвигателем без тормоза, кг | 36,5 | 36,5 | 36,5 | 36,5 | 36,5 | 36,5 | 36,5 | 32 | 30 | 30 | 36,5 | 36,5 | 32 | 32 |
Пример условного обозначения мотор-редуктора
| МРЧ-80М1 | — | 45 | — | 52 | — | 1 | — | 1 | — | 1 | — | 2 | — | У3 | — | С | — | 380 |
| Типоразмер | Частота вращения вала | Схема сборки | Вариант расположения двигателя | Вариант крепления (1 — без лап; 2 — с лапами) | Вариант расположения клеммной коробки | Категория точности редуктора | Климатическое исполнение и категория размещения | Индекс заправки смазкой | Номинальное напряжение сети переменного тока |
