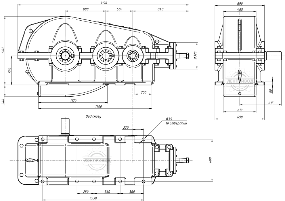
Коническо-цилиндрический трёхступенчатый горизонтальный редуктор КЦ2-1300 — самый крупный и мощный типоразмер из серии КЦ2. Крутящий момент до 37500 Н·м позволяет эксплуатировать данный редуктор в большинстве тяжёлых техпроцессов и при этом иметь запас мощности. При проектировании и монтаже следует обратить внимание на наличие картера в нижней части чугунного корпуса.





Технические характеристики редуктора КЦ2-1300
| Передаточное число | Номинальный крутящий момент*, Н·м | Расчётная подводимая мощность*, кВт | Радиальная консольная нагрузка на входном валу, Н | Радиальная консольная нагрузка на выходном валу, Н |
| 28 | 24300 | 146 | 8000 | 73000 |
| 45 | 37500 | 146 | 8000 | 77500 |
| 71 | 37500 | 86 | 12200 | 92500 |
| 112 | 37500 | 54 | 14500 | 92500 |
| 180 | 37500 | 35 | 16000 | 92500 |
* — при входной частоте вращения 1500 об/мин и при непрерывном спокойном режиме работы
Коэффициент полезного действия (КПД) — 0,94;
Масса редуктора — 5110 кг.
Пример условного обозначения редуктора КЦ2-1300
| КЦ2 | — | 1300 | — | 112 | — | 41 | — | М | — | У4 |
| Тип | Суммарное межосевое расстояние тихоходной и промежуточной ступеней | Передаточное число | Схема сборки | Форма конца выходного вала | Климатическое исполнение и категория размещения |
