Редуктор вертикальный трёхступенчатый В-200
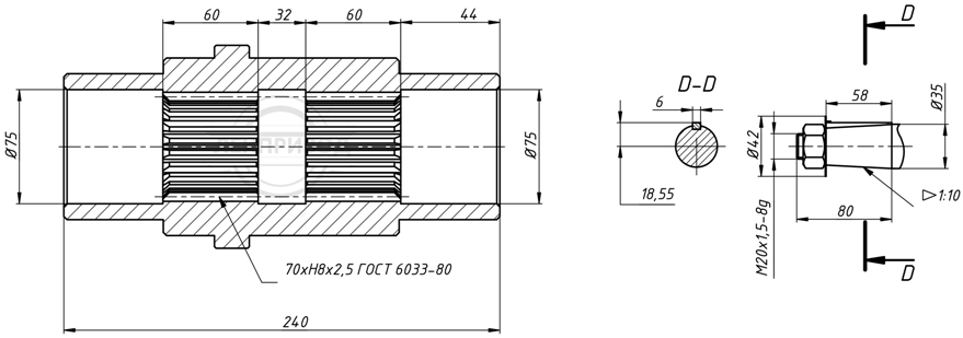
Редукторы В-200Ф и В-200 наиболее часто применяются в конструкции кранового оборудования. Эти вертикальные редукторы хорошо зарекомендовали себя, как надёжный и долговечный привод, а конструкция, испытанная годами, отличается удобством монтажа и ремонтопригодностью. Смазка редуктора обеспечивается разбрызгиванием специального колеса, которое поднимает масло из картерного пространства до первой ступени редуктора. В-200 и В-200Ф укомплектованы специальными уплотнениями и армированными манжетами, что предотвращает течь смазки во время эксплуатации.

Размеры валов

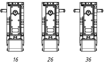
Схемы сборок редуктора

Технические характеристики редуктора В-200
Номинальные передаточные числа: 10; 12,5; 16; 20; 25; 31,5; 40; 50; 63; 80; 100.
Крутящий момент на выходном валу:
1375 — 3750, Н∙м (при передаточных числах 10 и 12,5)
1500 — 4000, Н∙м (при передаточных числах 16 и 20)
1625 — 4500, Н∙м (при передаточном числе 25 и 31,5)
1375 — 5000, Н∙м (при передаточных числах 40 и 50)
1500 — 5000, Н∙м (при передаточных числах 63)
1625 — 5000, Н∙м (при передаточных числах 80 и 100)
Масса редуктора (без смазки): не более 200 кг.
Пример условного обозначения мотор-редуктора
| В | — | 200 | — | 50 | — | 26 | — | У2 |
| Тип | Межосевое расстояние тихоходной ступени | Передаточное число | Схема сборки | Климатическое исполнение и категория размещения |
