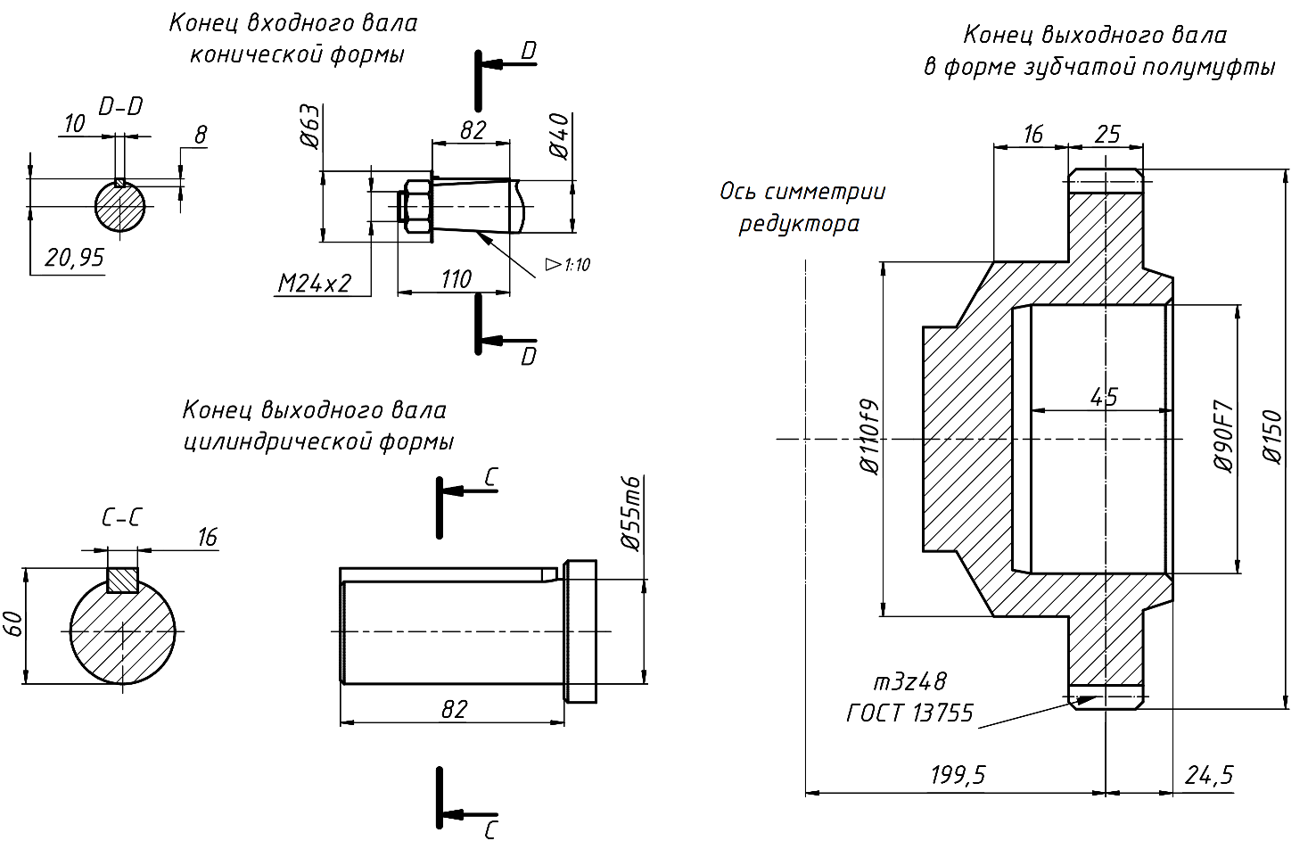
Цилиндрический двухступенчатый горизонтальный редуктор РМ-350 — один из самых компактных редукторов из серии РМ. Усиленный литой корпус редуктора позволяет эксплуатацию в условиях, где требуется гарантия запаса прочности.



Технические характеристики редуктора РМ-350
Номинальные передаточные числа: 8; 10 12,5; 16; 20; 25; 31,5; 40; 50.
Крутящий момент на выходном валу при среднем крановом режиме:
— Редуктор с передаточным числом 8 — 1206 Н∙м;
— Редуктор с передаточным числом 10 — 1355 Н∙м;
— Редуктор с передаточным числом 12,5 — 1434 Н∙м;
— Редуктор с передаточным числом 16 — 1542 Н∙м;
— Редуктор с передаточным числом 20 — 1648 Н∙м;
— Редуктор с передаточным числом 25 — 1644 Н∙м;
— Редуктор с передаточным числом 31,5 — 1826 Н∙м;
— Редуктор с передаточным числом 40 — 1703 Н∙м;
— Редуктор с передаточным числом 50 — 1756 Н∙м.
Крутящий момент на выходном валу при непрерывном режиме:
— Редуктор с передаточным числом 8 — 622 Н∙м;
— Редуктор с передаточным числом 10 — 613 Н∙м;
— Редуктор с передаточным числом 12,5 — 670 Н∙м;
— Редуктор с передаточным числом 16 — 678 Н∙м;
— Редуктор с передаточным числом 20 — 588 Н∙м;
— Редуктор с передаточным числом 25 — 596 Н∙м;
— Редуктор с передаточным числом 31,5 — 589 Н∙м;
— Редуктор с передаточным числом 40 — 576 Н∙м;
— Редуктор с передаточным числом 50 — 575 Н∙м.
Допускаемая радиальная консольная нагрузка, приложенная в середине посадочной части входного вала (при входной частоте вращения 1500 об/мин): 290 Н;
Допускаемая радиальная консольная нагрузка, приложенная в середине посадочной части выходного вала (при входной частоте вращения 1500 об/мин): 1750 Н;
Масса редуктора (без смазки): не более 145 кг
Пример условного обозначения редуктора РМ-350
| РМ | — | 350 | — | 25 | — | 31 | — | М | — | У1 |
| Тип | Межосевое расстояние тихоходной ступени | Передаточное число | Схема сборки | Форма конца выходного вала | Климатическое исполнение и категория размещения |
