Цилиндрический двухступенчатый горизонтальный редуктор 1Ц2У-100 — самый компактный из серии 1Ц2У. Эвольвентное зацепление с увеличенным модулем зуба позволяет обеспечить достаточный запас мощности и гарантировать долгий срок службы редуктора при соблюдении паспортных требований к нагрузкам и обслуживанию.



Технические характеристики редуктора 1Ц2У-100
Передаточные числа: 8; 10; 12,5; 16; 20; 25; 31,5; 40;
Номинальный крутящий момент (ПВ=100%): 315 Н·м;
Допускаемая радиальная консольная нагрузка, приложенная в середине посадочной части входного вала: 500 Н;
Допускаемая радиальная консольная нагрузка, приложенная в середине посадочной части выходного вала: 4500 Н;
Коэффициент полезного действия (КПД) — 0,97;
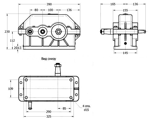
Масса редуктора — 21 кг.
Пример условного обозначения редуктора 1Ц2У-100
| 1Ц2У | — | 100 | — | 25 | — | 22 | — | К | — | У3 |
| Тип | Межосевое расстояние тихоходной ступени | Передаточное число | Схема сборки | Форма конца выходного вала | Климатическое исполнение и категория размещения |
