Цилиндрический двухступенчатый горизонтальный редуктор 1Ц2У-125 — один из самых компактных редукторов серии 1Ц2У. Эвольвентное зацепление с увеличенным модулем зуба позволяет обеспечить достаточный запас мощности и гарантировать долгий срок службы редуктора при соблюдении паспортных требований к нагрузкам и обслуживанию.



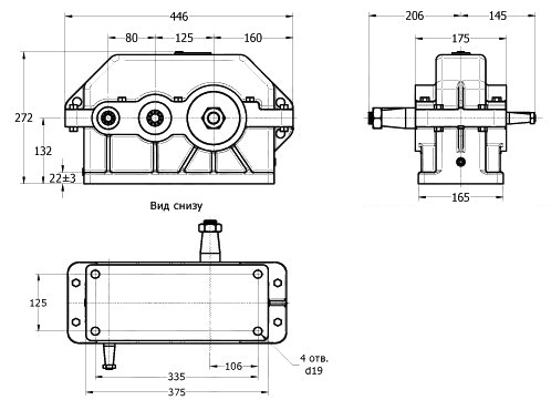
Технические характеристики редуктора 1Ц2У-125
Передаточные числа: 8; 10; 12,5; 16; 20; 25; 31,5; 40;
Номинальный крутящий момент (ПВ=100%): 630 Н·м;
Допускаемая радиальная консольная нагрузка, приложенная в середине посадочной части входного вала: 750 Н;
Допускаемая радиальная консольная нагрузка, приложенная в середине посадочной части выходного вала: 6300 Н;
Коэффициент полезного действия (КПД) — 0,97;
Масса редуктора — 32 кг.
Пример условного обозначения редуктора 1Ц2У-125
| 1Ц2У | — | 125 | — | 16 | — | 12 | — | К | — | У1 |
| Тип | Межосевое расстояние тихоходной ступени | Передаточное число | Схема сборки | Форма конца выходного вала | Климатическое исполнение и категория размещения |
